Jaaj.sk je nový FREE porovnávač produktov a cien. Budujeme AI alternatívu ku klasickým porovnávačom

Spúšťame databázu
Produkty • kategórie • porovnania

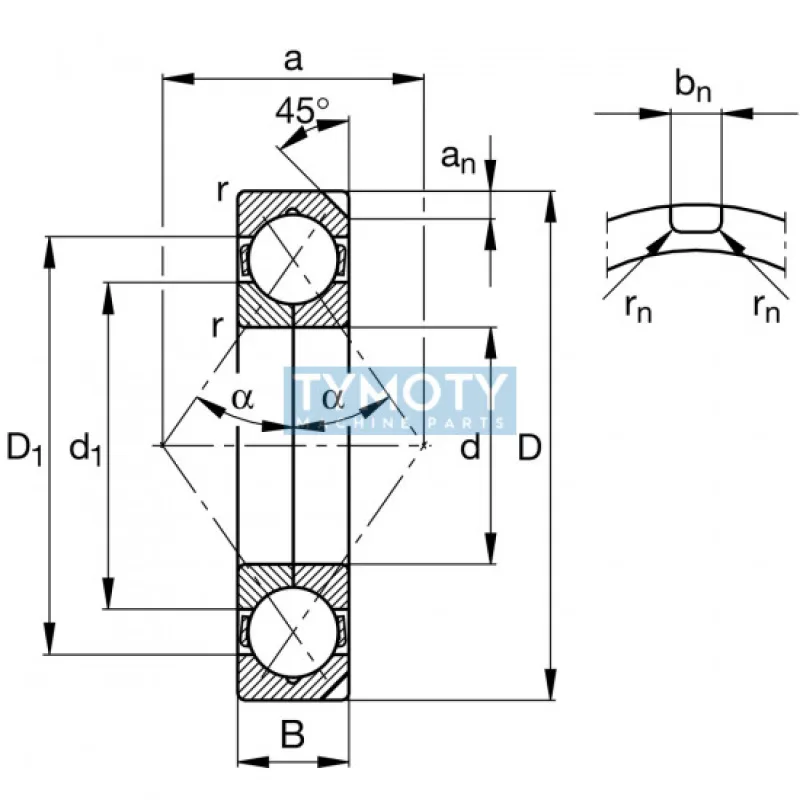
SKF QJ 209/C2 štvorbodové ložisko

SKF QJ 209/C2 štvorbodové ložisko Ložisko QJ 209 /C2 SKF - Guľôčkové ložiská so štvorbodovým stykom znesú vysoké axiálne zaťaženie v oboch smeroch a malé radiálne zaťaženie. Môžu pracovať pri veľmi…

od 84 €

Specifikacia SKF QJ 209/C2 štvorbodové ložisko


SKF QJ 209/C2 štvorbodové ložisko

Ložisko QJ 209 /C2 SKF - Guľôčkové ložiská so štvorbodovým stykom znesú vysoké axiálne zaťaženie v oboch smeroch a malé radiálne zaťaženie. Môžu pracovať pri veľmi vysokých otáčkach a sú vhodnejšie ako guličkové ložiská s hlbokou drážkou na prenášanie veľkých axiálnych síl. Ich jednoradové prevedenie vyžaduje podstatne menej axiálneho priestoru ako dvojradové prevedenie.

Prenášajú vysoké axiálne zaťaženie v oboch smeroch a malé radiálne zaťaženie. Schopnosť pracovať pri vysokých otáčkach. Vyžadujú podstatne menej axiálneho priestoru ako dvojradové guličkové ložiská s kosouhlým stykom.

SKF QJ 209/C2 štvorbodové ložisko patrí medzi produkty, ktoré ponúkajú vyvážený pomer kvality a ceny. V hornej časti stránky nájdeš hlavný prehľad, nižšie podrobné vlastnosti a technické parametre.

Top