Jaaj.sk je nový FREE porovnávač produktov a cien. Budujeme AI alternatívu ku klasickým porovnávačom

Spúšťame databázu
Produkty • kategórie • porovnania

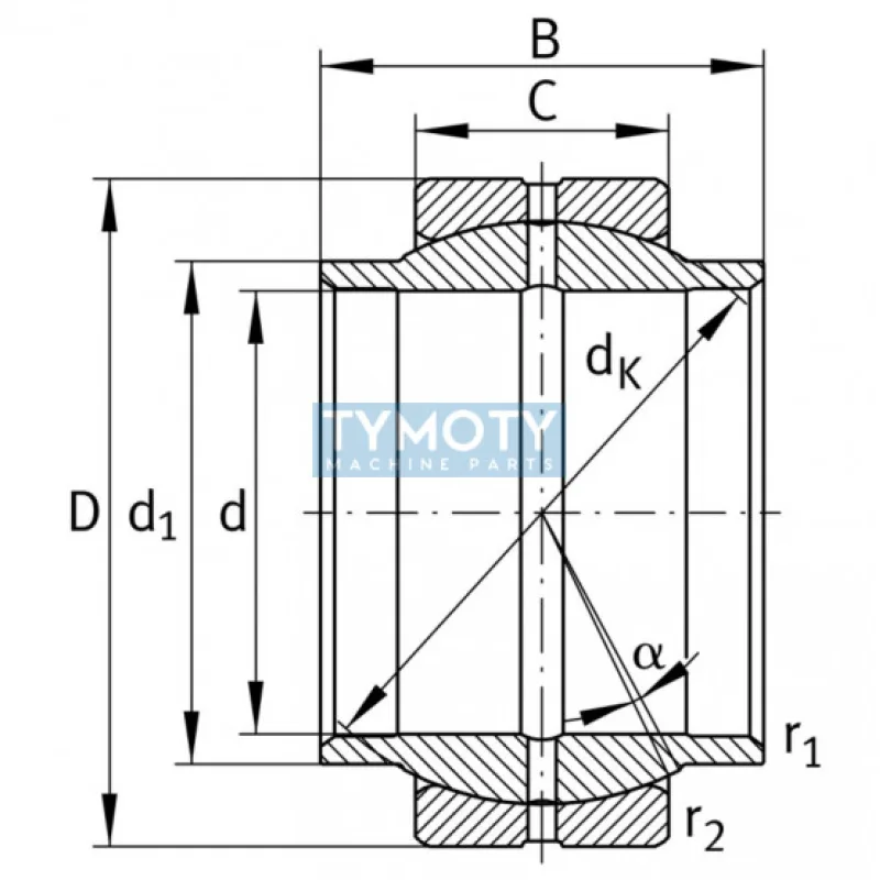
SKF GEG 160 ES kĺbové ložisko oceľ/oceľ

SKF GEG 160 ES je radiálne kĺbové ložisko vyrobené z ocele, ktoré je navrhnuté pre aplikácie vyžadujúce vysokú odolnosť a spoľahlivosť. Ložisko má vnútorný priemer 160 mm, vonkajší priemer 230 mm a…

od 1790 €

Specifikacia SKF GEG 160 ES kĺbové ložisko oceľ/oceľ


SKF GEG 160 ES je radiálne kĺbové ložisko vyrobené z ocele, ktoré je navrhnuté pre aplikácie vyžadujúce vysokú odolnosť a spoľahlivosť. Ložisko má vnútorný priemer 160 mm, vonkajší priemer 230 mm a celkovú šírku 160 mm, pričom šírka kĺbu je 80 mm. Konštrukcia ložiska je bez tesnenia, čo znamená, že je potrebné pravidelné mazanie prostredníctvom obvodovej drážky s mazacími otvormi, čím sa zabezpečuje optimálna funkčnosť a predlžuje životnosť ložiska.Materiálové prevedenie oceľ/oceľ zaručuje vysokú pevnosť a odolnosť voči opotrebovaniu, čo je ideálne pre náročné prevádzkové podmienky. Ložisko je schopné pracovať v teplotnom rozsahu od -50 °C do +200 °C, čo umožňuje jeho použitie v rôznych priemyselných aplikáciách, kde sú vystavené extrémnym teplotám.SKF GEG 160 ES je štandardne vybavené vnútorným kroužkom a je koncipované ako ložisko vyžadujúce údržbu, čo znamená, že pravidelná kontrola a mazanie sú nevyhnutné pre zabezpečenie optimálnej funkcie. S hmotnosťou 16,6 kg je toto ložisko robustné a vhodné pre aplikácie, kde sú kladené vysoké nároky na nosnosť a odolnosť voči dynamickým zaťaženiam. Toto ložisko je ideálne pre použitie v rôznych priemyselných odvetviach, vrátane stavebníctva, ťažkého strojárstva a výroby, kde je potrebná vysoká spoľahlivosť a odolnosť voči mechanickému namáhaniu.

Top