Jaaj.sk je nový FREE porovnávač produktov a cien. Budujeme AI alternatívu ku klasickým porovnávačom

Spúšťame databázu
Produkty • kategórie • porovnania

INA PABO 20 PP-AS lineárne ložisko

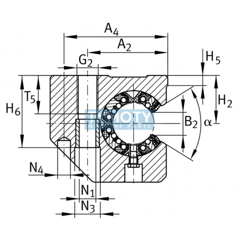
INA PABO 20 PP-AS lineárne ložisko INA PABO 20 PP-AS je lineárne klzné ložisko navrhnuté pre aplikácie vyžadujúce presné lineárne pohyby. Ložisko má vnútorný priemer 20 mm, vonkajší priemer 32 mm a…

od 85 €

Specifikacia INA PABO 20 PP-AS lineárne ložisko


INA PABO 20 PP-AS lineárne ložisko

INA PABO 20 PP-AS je lineárne klzné ložisko navrhnuté pre aplikácie vyžadujúce presné lineárne pohyby. Ložisko má vnútorný priemer 20 mm, vonkajší priemer 32 mm a šírku 45 mm. Toto ložisko je súčasťou produktového portfólia značky INA, ktorá je známa svojou vysokou kvalitou a spoľahlivosťou v oblasti ložísk.

Ložisko je utesnené zo všetkých strán, čo zvyšuje jeho odolnosť voči nečistotám a predlžuje jeho životnosť. Jeho konštrukcia je nezakrytá, čo umožňuje jednoduchý prístup k ložisku pre účely údržby a mazania. Hmotnosť ložiska je 0,058 kg, čo z neho robí ľahký komponent vhodný pre rôzne priemyselné aplikácie.

INA PABO 20 PP-AS lineárne ložisko patrí medzi produkty, ktoré ponúkajú vyvážený pomer kvality a ceny. V hornej časti stránky nájdeš hlavný prehľad, nižšie podrobné vlastnosti a technické parametre.

Teplotný rozsah, v ktorom môže ložisko spoľahlivo pracovať, je od -10 °C do +80 °C. Tento rozsah umožňuje použitie ložiska v rôznych klimatických podmienkach a pri rôznych prevádzkových teplotách.Ložisko je navrhnuté s možnosťou domazávania, čo umožňuje predĺženie jeho životnosti a zlepšenie výkonu v náročných prevádzkových podmienkach. Typické aplikácie pre tento typ ložiska zahŕňajú lineárne vedenia v strojárstve, automatizácii a ďalších priemyselných odvetviach, kde je potrebný presný a hladký pohyb.

INA PABO 20 PP-AS je ideálnou voľbou pre aplikácie, kde je potrebná kombinácia presnosti, spoľahlivosti a jednoduchosti údržby.

Top