Jaaj.sk je nový FREE porovnávač produktov a cien. Budujeme AI alternatívu ku klasickým porovnávačom

Spúšťame databázu
Produkty • kategórie • porovnania

INA KTSS 25 PP-AS lineárne guľkové ložisko

INA KTSS 25 PP-AS lineárne guľkové ložisko Lineárne guľkové ložisko INA KTSS 25 PP-AS je precízna ložisková jednotka navrhnutá pre aplikácie vyžadujúce vysokú presnosť a spoľahlivosť v lineárnom…

od 189 €

Specifikacia INA KTSS 25 PP-AS lineárne guľkové ložisko


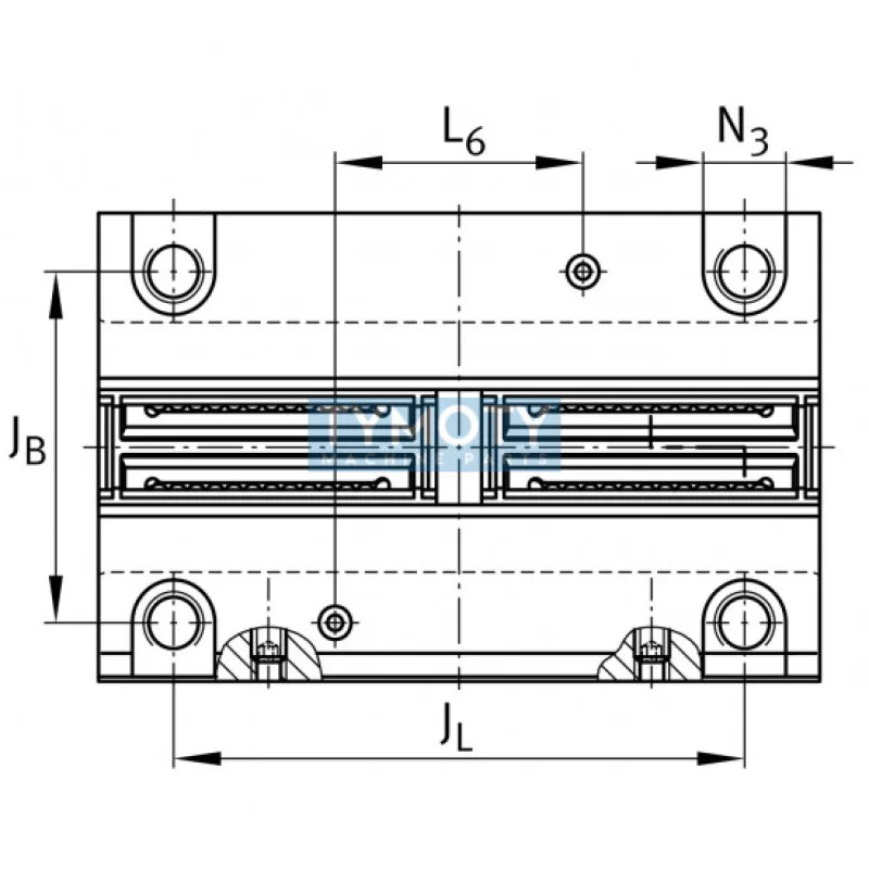
INA KTSS 25 PP-AS lineárne guľkové ložisko

Lineárne guľkové ložisko INA KTSS 25 PP-AS je precízna ložisková jednotka navrhnutá pre aplikácie vyžadujúce vysokú presnosť a spoľahlivosť v lineárnom pohybe. Tieto rozmery sú optimalizované pre efektívny prenos síl a minimalizáciu trenia v lineárnych pohyboch, čím sa zvyšuje celková účinnosť systému. Táto ložisková jednotka je súčasťou produktového portfólia renomovaného výrobcu INA, známeho svojou kvalitou a inováciami v oblasti ložísk.Ložisko má vnútorný priemer (d) 25 mm, vonkajší priemer (D) 78 mm a celkovú šírku (B) 122 mm.

Označenie PP-AS indikuje, že ložisko je vybavené tesnením na oboch stranách, čo poskytuje ochranu pred prachom a nečistotami, a zároveň zadržiava mazivo vo vnútri ložiska. Vďaka svojej robustnej konštrukcii je ložisko vhodné pre použitie v rôznych priemyselných aplikáciách, kde je potrebná presná a spoľahlivá lineárna pohyblivosť.Ložisko je vybavené guľkovým systémom, ktorý zabezpečuje hladký a tichý chod, čím sa znižuje opotrebenie a predlžuje životnosť komponentu. Toto tesnenie prispieva k zníženiu potreby údržby a zvyšuje spoľahlivosť v náročných prevádzkových podmienkach.Lineárne guľkové ložisko KTSS 25 PP-AS je ideálne pre použitie v automatizovaných výrobných linkách, obrábacích strojoch a iných zariadeniach, kde je potrebná vysoká presnosť a nízke trenie.

INA KTSS 25 PP-AS lineárne guľkové ložisko patrí medzi produkty, ktoré ponúkajú vyvážený pomer kvality a ceny. V hornej časti stránky nájdeš hlavný prehľad, nižšie podrobné vlastnosti a technické parametre.

Jeho konštrukčné vlastnosti umožňujú jednoduchú integráciu do existujúcich systémov, pričom zabezpečujú optimálny výkon a dlhodobú spoľahlivosť.

Top