Jaaj.sk je nový FREE porovnávač produktov a cien. Budujeme AI alternatívu ku klasickým porovnávačom

Spúšťame databázu
Produkty • kategórie • porovnania

INA KRE 32 kladka snímacia

INA KRE 32 kladka snímacia INA KRE 32 je snímacia kladka typu "stud type track roller", určená pre rôzne aplikácie, kde je potrebné zabezpečiť presné vedenie a prenos zaťaženia. Je vyrobená z vysoko…

od 67 €
Materi�l
oce?

Specifikacia INA KRE 32 kladka snímacia


INA KRE 32 kladka snímacia

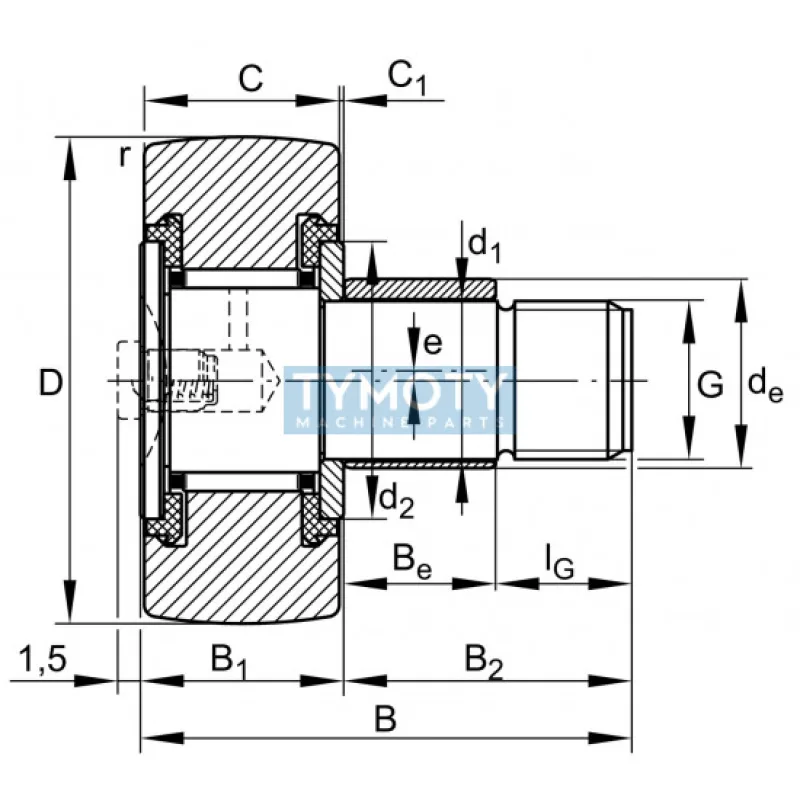
INA KRE 32 je snímacia kladka typu "stud type track roller", určená pre rôzne aplikácie, kde je potrebné zabezpečiť presné vedenie a prenos zaťaženia. Je vyrobená z vysoko kvalitnej ocele, ktorá je štandardne používaná pre valivé ložiská, čo zaručuje jej dlhú životnosť a spoľahlivosť v náročných podmienkach.Kladka je vybavená lisovanou oceľovou klecou a obojstranným štěrbinovým tesnením, ktoré poskytuje ochranu pred nečistotami a vlhkosťou, čím predlžuje životnosť ložiska. Táto kladka je charakterizovaná vonkajším priemerom 32 mm, vnútorným priemerom 15 mm a šírkou 40 mm.

Kladka je tiež vybavená excentrickým pojistným kroužkom a vnútorným šestihranom pre jednoduché axiálne upevnenie.Prevádzkový teplotný rozsah kladky je od -30 °C do +140 °C, čo umožňuje jej použitie v rôznych klimatických podmienkach. Tesnenie umožňuje domazávanie, pričom radiálny mazací otvor je zakrytý, čo uľahčuje údržbu a zvyšuje efektivitu mazania.Vonkajší kroužok kladky má kulový povrch, čo umožňuje lepšie rozloženie zaťaženia a prispôsobenie sa nerovnostiam povrchu, po ktorom sa kladka pohybuje. Hmotnosť kladky je 0,104 kg a súčasťou dodávky sú dve maznice, ktoré uľahčujú proces mazania a údržby.Táto kladka je ideálna pre aplikácie, kde je potrebné zabezpečiť presné vedenie a vysokú odolnosť voči opotrebeniu, ako sú dopravníky, manipulačné zariadenia a iné mechanizmy vyžadujúce spoľahlivé valivé komponenty.

INA KRE 32 kladka snímacia patrí medzi produkty, ktoré ponúkajú vyvážený pomer kvality a ceny. V hornej časti stránky nájdeš hlavný prehľad, nižšie podrobné vlastnosti a technické parametre.

Výrobcom je renomovaná značka INA, ktorá je súčasťou skupiny Schaeffler, známej svojou kvalitou a inováciami v oblasti ložísk a valivých komponentov.

Top