nový porovnávač cien
Jaaj.sk
Elektronika
TV, audio, video
Satelitná a digitálna technika
Audio
Termokamery
Televízory
TV a video príslušenstvo
Mobily, tablety, nositeľná elektronika
Príslušenstvo k mobilom
Tablety a čítačky
Vysielačky
VoIP telefóny
Klasické a bezdrôtové telefóny
Počítače a notebooky
Príslušenstvo k počítačom
Archivačné potreby
Kancelárska technika
Počítačové komponenty
Záložné zdroje
Batérie
Cestovné adaptéry
Primárne batérie
LiFePO4 batérie
Nabíjacie batérie
Olovené batérie
Batérie a nabíjanie
Powerbanky
Olovené batérie
Batérie primárne
Nabíjacie batérie
Solárne nabíjačky
Inteligentná domácnosť
Centrálne jednotky
Ovládače a spínače pre inteligentnú domácnosť
Zabezpečenie inteligentnej domácnosti
Inteligentné osvetlenie
Štartovacie súpravy
Foto, kamery, optika
Foto a kamery
Príslušenstvo k fotoaparátom
Ateliérové vybavenie
Príslušenstvo ku kamerám
Fotokomory
Dielňa, stavba, záhrada
Záhrada
Zavlažovanie
Záhradné drviče vetiev
Jazierka a doplnky
Príslušenstvo k záhradnému náradiu
Vysokotlakové čističe
Bazény a doplnky
Bazénové vysávače
Doplnky k bazénom
Čistenie bazénov
Vírivky
Príslušenstvo k bazénom
Dielňa
Dielenské vybavenie
Vrtáky
Zváranie
Obrábanie
Píly
Kúrenie
Krby a kachle
Radiátory a príslušenstvo
Krbové vložky
Podlahové kúrenie
Sporáky na tuhé palivá
Kúrenie a ohrev vody
Kotly
Krbové kachle
Hlavice pre radiátory
Akumulačné kachle
Odvod spalín
Náradie pre dielňu a záhradu
Náradie do dielne
Záhradné náradie a technika
Stavebniny
Železiarstvo
Spojovací materiál
Kovanie a zámky
Poštové schránky
Domové čísla
Schody a zábradlia
Príslušenstvo k zábradliu
Schodíky na povalu
Zábradlia
Schodiská
Zábradlia
Tepelná izolácia
Profily a lišty pre zateplenie
Izolačné materiály
Príslušenstvo na zateplenie
Stavebný materiál
Stavebná chémia
Stavebné pásky
OSB dosky
Drevené dosky
Sadrokartónové dosky
Stavba
Elektromateriály
Ploty
Voda, plyn, kúrenie
Fotovoltaika
Strechy a komíny
Stavebná technika a náradie
Meradlá a meracie prístroje
Murárske náradie
Stavebná technika
Rebríky a schodíky
Lešenie
Podlahy a obklady
Vonkajšia dlažba
Podlahy
Obklady a dlažby
Podlahové lišty
Podlahové krycie mriežky
Farby a laky
Farby, laky na drevo
Univerzálne farby
Farby v spreji
Riedidlá a rozpúšťadlá
Interiérové farby
Auto-moto
Všetko pre autá
Autokozmetika
Elektronika do auta
Nosiče, boxy a koše na auto
Prípravky na umývanie áut
Starostlivosť o kolesá
Autodoplnky
Povinná a odporúčaná výbava
Xenónové výbojky
Stierače
Škrabky na auto
Pneumerače
Tuning
Tuning karosérie
Podvozok
Športové volanty
Koncovky výfukov
Dištančné podložky kolies
Príslušenstvo na motorku
Moto okuliare
Nosiče na kufre
Moto stojany
Brašny na motorku
Interkomy na motorky
Všetko pre motorky
Oblečenie na motorku
Doplnky na motorku
Náhradné diely na motorky
Náhradné diely pre motorky
Tesnenia valca
Diely motora pre motorku
Tesnenia motora
Stúpačky
Súčiastky spojky pre motorku
Autochémia
Náplne a kvapaliny
Mazivá
Prevádzkové kvapaliny
Aditíva
Uvoľňovače skrutiek
Autodiely
Disky na auto
Svetlá na auto
Diely interiéru
Výfukový systém
Autobatérie
Pneumatiky
Osobné pneumatiky
Pneumatiky na motorku
Agro pneumatiky
Nákladné pneumatiky
Elektromobilita a jej príslušenstvo
Príslušenstvo pre elektromobily
Elektrické motorky
Elektrické vozidlá pre seniorov
Domáce a osobné spotrebiče
Veľké spotrebiče
Práčky
Odsávače pár
Mrazáky
Mikrovlnné rúry
Príslušenstvo k veľkým spotrebičom
Kuchynské spotrebiče
Kávovary a príprava kávy
Príslušenstvo ku kuchynským spotrebičom
Pece na pizzu
Ostatné kuchynské spotrebiče
Odšťavovače
Príslušenstvo k malým spotrebičom
Príslušenstvo k výčapnému zariadeniu
Príslušenstvo pre výrobníky sódovky
Príslušenstvo pre parné čističe
Príslušenstvo k vodným filtrom
Príslušenstvo k meteostaniciam
Starostlivosť o telo
Príslušenstvo k holiacím strojčekom
Náhradné hlavice pre elektrické zubné kefky
Osobné váhy
Masážne prístroje
Kulmy
Klimatizácie
Ventilátory
Teplovzdušné ventilátory
Stropné ventilátory
Filtre k čističkám vzduchu
Odvlhčovače vzduchu
Starostlivosť o telo a zdravie
Starostlivosť o zdravie
Starostlivosť o vlasy a fúzy
Úprava vzduchu
Filtre k zvlhčovačom vzduchu
Zvlhčovače a čističky vzduchu
Odvlhčovače vzduchu
Ozónové čističe
Filtre k čističkám vzduchu
Upratovacie spotrebiče
Robotické vysávače
Robotické čističe okien
Starostlivosť o bielizeň
Príslušenstvo pre žehličky
Žehličky
Šijacie stroje a príslušenstvo
Parné žehliace lisy
Príslušenstvo k žehličkám
Chladenie a kúrenie
Domáce ventilátory
Klimatizácie
Mobilné klimatizácie
Ochladzovače vzduchu
Stropné ventilátory
Spotrebiče na upratovanie
Vysávače
Príslušenstvo pre upratovacie spotrebiče
Parné čističe
Robotické vysávače
Robotické čističe okien
Bývanie a doplnky
Domácnosť
Doplnky do kuchyne
Čistiace prostriedky pre domácnosť
Centrálne vysávania
Pranie a žehlenie
Nábytok
Úložné priestory
Kúpeľňový nábytok
Herné kreslá a stoly
Stoly a stolíky
Kreslá a sedenie
Osvetlenie a svietidlá
Príslušenstvo k svietidlám
Osvetlenie
Lampičky
Orientačné osvetlenie
Stojacie lampy
Sanita a vybavenie kúpeľní
Kúpeľňové doplnky
Sanitárne výrobky
WC a príslušenstvo
Vodovodné batérie
Vane a príslušenstvo
Bytové doplnky
Bytový textil
Bytové doplnky a dekorácie
Stolové podnože
Stolové dosky
Doplnky do predsiene
Oblečenie, obuv a doplnky
Pánske oblečenie
Pánske svetre
Pánska spodná bielizeň
Pánske mikiny
Pánske ponožky
Pánske vrchné oblečenie
Obuv
Dámske topánky
Detské topánky
Pánske topánky
Doplnky k obuvi
Detské oblečenie
Detské mikiny a svetre
Detské košele
Detské vrchné oblečenie
Detské nohavice
Detské teplákové a športové súpravy
Módne doplnky
Kukly
Batohy, tašky a kabelky
Čelenky
Zimné rukavice
Slnečné okuliare a puzdrá na okuliare
Dámske oblečenie
Tehotenské a dojčiace oblečenie
Dámska spodná bielizeň
Plesové šaty
Dámske plavky a tuniky
Dámske pančuchy a pančucháče
Šport a outdoor
Zimné športy
Zjazdové lyžovanie
Korčule na ľad
Bežecké lyžovanie
Snowboarding
Snowscoot
Loptové športy
Florbal
Volejbal
Futbal
Nohejbal
Basketbal
Skate & in-line
Skateboard
In-line korčuľovanie
Topánky na kolieskach
Longboardy
Skateboardy
Športy
Športová obuv
Cyklistika
Jazdectvo
Strelecké sporty
Športová streľba
Army a lovecké oblečenie
Airsoft
Lukostreľba
Army a lovecké doplnky
Bojové športy
Box
Opasky ku kimonu
Ostatné zbrane pre bojové športy
Nože pre bojové športy
Meče pre bojové športy
Vodné športy
Vodácke príslušenstvo
Potápačské vybavenie
Adrenalínové vodné športy
Oblečenie a obuv na vodné športy
Plavecké potreby
Športová výživa
Stimulanty a energizéry
Spaľovače tukov
Proteíny
Proteinové doplnky
Gainery
Raketové športy
Tenis
Stolný tenis
Squash
Padel
Badminton
Poker
Poker sady
Karty na poker
Žetóny - poker
Stoly na poker
Pokerové karty
Outdoorové vybavenie
Fľaše na pitie
Outdoorové kotlíky
Pláštenky
Vreckové nože
Pitné vaky
Ostatné športy
Žinenky
Terče a šípky
Beh
Petanque
Netradičné športy
Horolezectvo
Skrutky do ľadu
Skialpinistické vybavenia
Magnézium na lezenie
Mačky a nesmeky
Lezečky
Golf
Golfové doplnky
Golfové dáždniky
Golfové bagy
Golfové železá
Golfové wedge
Fitness
Posilňovanie
Pomôcky na cvičenie
Fitness rukavice, opasky a trhačky
Posilňovacie kolieska
Posilňovacie adaptéry
Športtestery a inteligentné prístroje
Hrudné pásy
Športtestery
Krokomery
Atletika
Atletické tretry
Atletické náčinie
Bowling
Bowlingové tašky
Bowlingové gule
Ostatné
Zdravie
Zdravotnícke potreby
Ochrana dýchacích ciest
Zdravotné potreby
Očná optika
Zdravotné prístroje
Kozmetika a parfumy
Uši
Starostlivosť o uši
Zuby
Repelenty
Hygiena a hygienické potreby
Hračky
Stavebnice a kocky
Živé a vzdelávacie sady
Hračky pre chlapcov
Hračky do vody
Spoločenské hry
Jedlo a nápoje
Vody
Trvanlivé potraviny
Káva a kávové kapsule
Alkoholické nápoje
Čaje a bylinky
Filmy, knihy, hry
Učebnice
Knihy
Čítanie
Komiksy a manga
Spoločenské hry a zábava
Drogéria
Prípravky proti hmyzu a škodcom
Upratovacie pomôcky
Čistiace prostriedky
Osviežovače vzduchu
Ekologická domácnosť
Detský tovar
Vaničky a kýbliky
Nosiče detí
Detské deky
Školské potreby
Autosedačky
Gaming
Herné príslušenstvo
Herné konzoly
Hry na PC a konzoly
Virtuálna realita
Hobby
Hudobné nástroje
Žartovné predmety a Gadgets
Rybárske potreby
Sebaobrana
Zberateľstvo
Kancelária a papiernictvo
Školské potreby
Papiernictvo
Kancelárske potreby
Kancelárska technika a vybavenie prevádzok
Foto
Jaaj.sk
je nový FREE porovnávač produktov a cien. Budujeme AI alternatívu ku klasickým porovnávačom
Spúšťame databázu
Produkty • kategórie • porovnania
Jaaj.sk
Auto-moto
Autodiely
Diely podvozku
Ložiská kolies
INA GE 140-AW-A
od 2342 €
Kde kúpiť
Popis
tymoty
.sk
INA GE 140-AW-A na
tymoty.sk
2342.16 €
Do obchodu
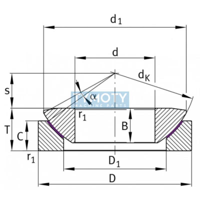
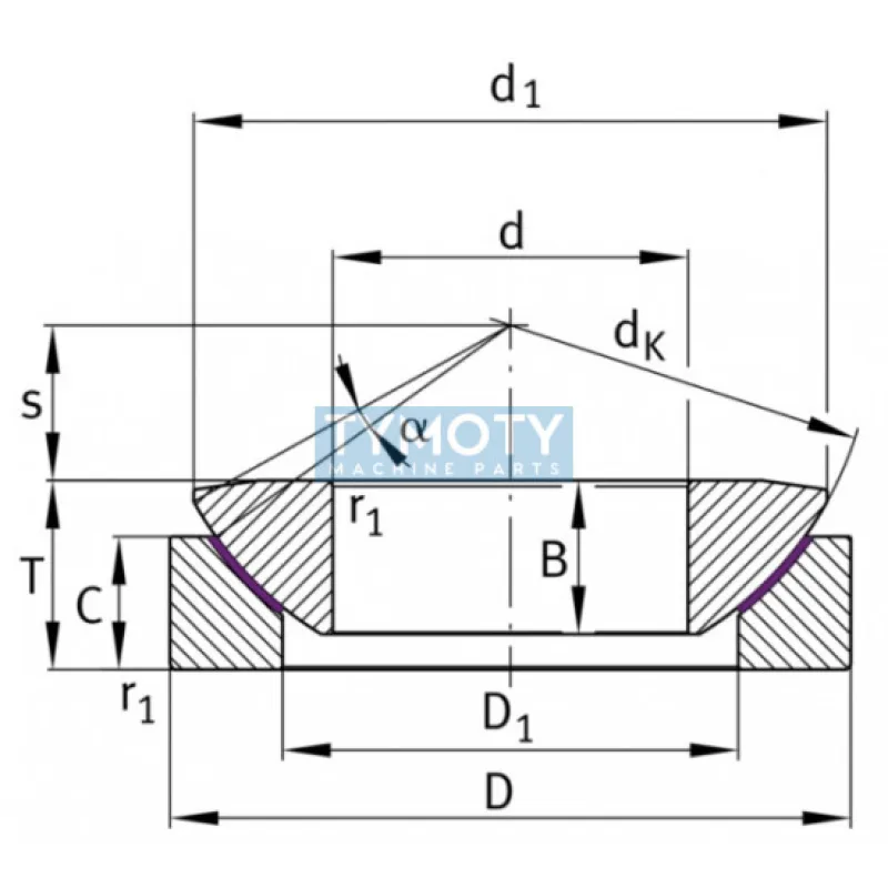
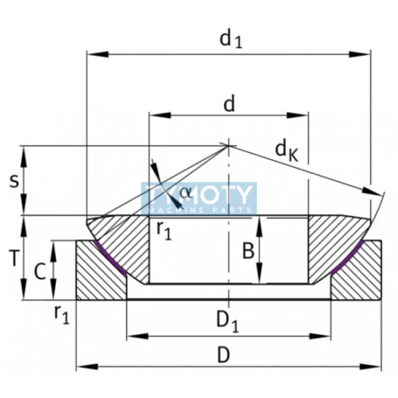
Specifikacia INA GE 140-AW-A
INA GE 140-AW-A
od 2342 €
INA GE 100-AW-A
od 1243 €
INA GE 60-AW-A
od 468 €
INA GE 40-AW-A
od 237 €
INA GE 35-AW-A
od 205 €
INA GE 30-AW-A
od 147 €
INA GE 15-AW-A
od 140 €
INA GE 12-AW-A
od 115 €
INA GE 20-AW-A
od 101 €
INA GE 17-AW-A
od 96 €
INA GE 10-AW-A
od 77 €
INA GE 160-AW-B
od 2869 €
INA GE 180-AW-B
od 3793 €
INA GE 140-SW-A
od 1502 €
INA GE 120 AW-A axiálne kĺbové ložisko
od 1352 €
INA GE 80 AW-A axiálne kĺbové ložisko
od 1109 €
INA GE 70 AW-A axiálne kĺbové ložisko
od 525 €
INA GE 50 AW-A axiálne kĺbové ložisko
od 283 €
INA GE 45 AW-A axiálne kĺbové ložisko
od 243 €
INA GE 25 AW-A axiálne kĺbové ložisko
od 115 €
Top
🍪
Cookies na jaaj.sk
Používame cookies, aby web fungoval správne, a (ak súhlasíš) aj na analytiku a marketing. Nevyhnutné cookies sú vždy zapnuté.
Viac info
Nastavenia
Odmietnuť
Prijať
Nastavenia cookies
Vyber, s čím súhlasíš. Nevyhnutné cookies sú vždy aktívne.
×
Nevyhnutné
Potrebné na funkčnosť webu (napr. session, bezpečnosť, košík).
Analytické
Pomáhajú nám merať návštevnosť a zlepšovať web (napr. Google Analytics).
Marketingové
Používajú sa na personalizované reklamy a remarketing (napr. Meta Pixel).
Súhlas môžeš kedykoľvek zmeniť cez
Nastavenia cookies
.