Jaaj.sk je nový FREE porovnávač produktov a cien. Budujeme AI alternatívu ku klasickým porovnávačom

Spúšťame databázu
Produkty • kategórie • porovnania

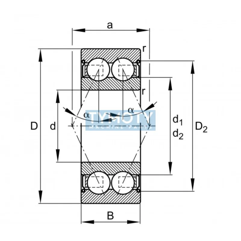
INA 3005-2RS guľkové ložisko s kosouhlým stykom

INA 3005-2RS - nerozoberateľné dvojradové guľôčkové ložisko s kosouhlým stykom, plastovou klietkou z polyamidu zosilneného sklenými vláknami vedenou dvoma radmi guličiek, obojstranným trecím tesnením…

od 29 €
Materi�l
oce?

Specifikacia INA 3005-2RS guľkové ložisko s kosouhlým stykom


INA 3005-2RS - nerozoberateľné dvojradové guľôčkové ložisko s kosouhlým stykom, plastovou klietkou z polyamidu zosilneného sklenými vláknami vedenou dvoma radmi guličiek, obojstranným trecím tesnením as normálnou axiálnou vôľou. Tesne ovzdušia gumy, ktorá je navulkanizovaná medzi oceľové krúžky a sú zalisované do zápichov vo vonkajšom krúžku. Tesniace čepele sa opierajú o skosené hrany vnútorného krúžku. Ložisko je naplnené kvalitným plastickým mazivom s teplotným rozsahom od -40°C do +120°C pre celú dobu životnosti ložiska. Ložisko má stykový uhol 25° a valivé telesá sú usporiadané ako u združenej dvojice jednoradových guličkových ložísk s kosouhlým stykom. Ložisko môže prenášať radiálne aj obojsmerné axiálne zaťaženie."

Top